Midnight Scalar Network Analyzer
Features & Specs
Documentation
Schematic
Software
Assembly Guide
Photo Gallery
Place Order
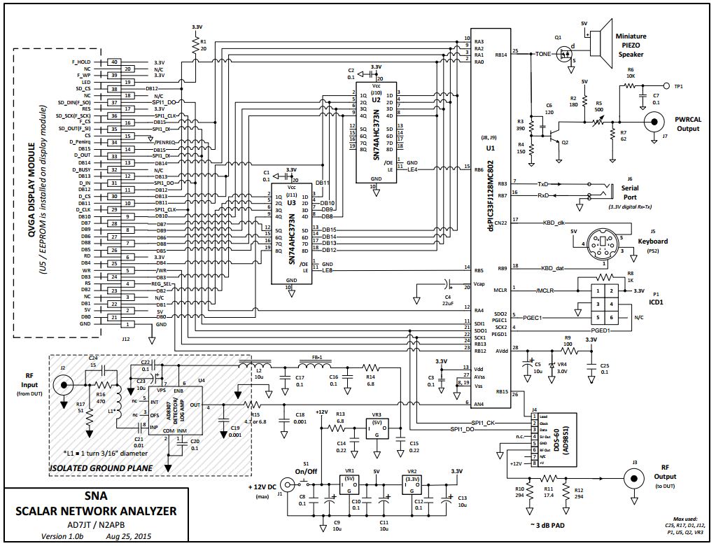
Download Schematic PDF SNA Kit "Bill of Materials" - Rev A, June 19, 2015 NOTE (8/25/2015) ... Newly-supplied values for R2 (180), R3 (390), R15 (4.7 or 6.8), and C5 (10uF).
Download Schematic PDF
SNA Kit "Bill of Materials" - Rev A, June 19, 2015
NOTE (8/25/2015) ... Newly-supplied values for R2 (180), R3 (390), R15 (4.7 or 6.8), and C5 (10uF).
Copyright 2015 Midnight Design Solutions, LLC. All Rights Reserved. Page last updated: June 29, 2015